
MIL-DTL-5003E
NOTES:
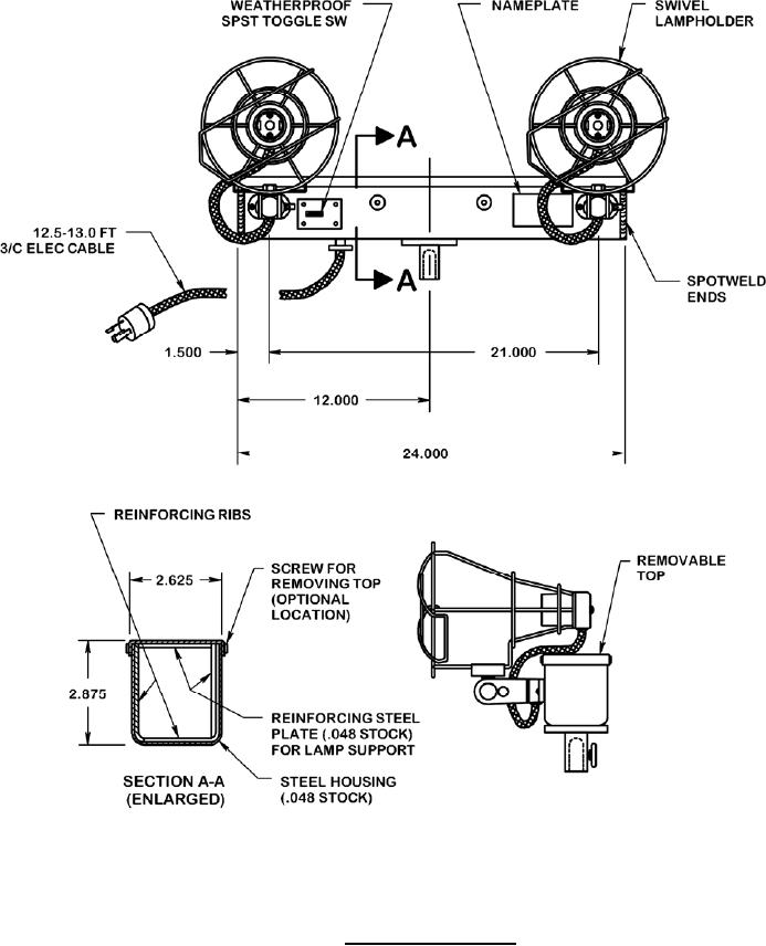
1. Dimensions are in inches unless otherwise specified.
2. Unless otherwise shown, all tolerances are ±.062.
FIGURE 1. Lamp-head assembly.
11
For Parts Inquires call Parts Hangar, Inc (727) 493-0744
© Copyright 2015 Integrated Publishing, Inc.
A Service Disabled Veteran Owned Small Business